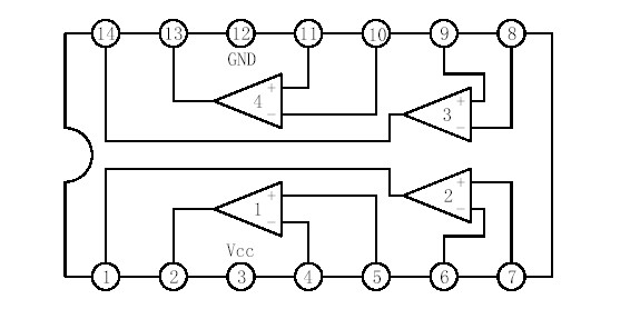
Features: ` Single or dual supply operation;` Wide operating supply range (VCC=2V~36V or ±1~±18V);` Input common-mode voltage includes groud;` Low supply current drain: ICC=0.8mA (Typical);` Open collector output for wired and connection;` Low input bias current Ibias=25nA(Typical);` Low output sa...
YD339: Features: ` Single or dual supply operation;` Wide operating supply range (VCC=2V~36V or ±1~±18V);` Input common-mode voltage includes groud;` Low supply current drain: ICC=0.8mA (Typical);` Open co...
SeekIC Buyer Protection PLUS - newly updated for 2013!
268 Transactions
All payment methods are secure and covered by SeekIC Buyer Protection PLUS.

|
PARAMETER |
SYMBOL |
VALUE |
UNIT |
| Supply Voltage |
VCC |
±18 or 36 |
V |
| Differential Input Voltage |
VID |
±36 |
V |
| Input Voltage |
VI |
-0.3~36V |
V |
| Power Dissipation(DIP14) |
PD1 |
625 |
mW |
| Power Dissipation(SOP14) |
PD2 |
300 |
mW |
| Operating Temperature |
Topr |
-40 ~ +85 |
|
| Storage Temperature |
Tstg |
-55 ~+125 |
The YD339 consists of four independent voltage comparators designed specifically to operate from a single power supply over a wide voltage range;