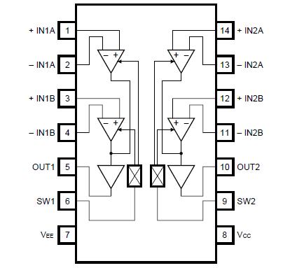
Features: · Can drive both dual or single power supplies.· Low noise. (Vn = 2mVrms typ.: FLAT)· Little switching noise.· Internal phase compensation.Application·Audio amplifiers and other electronic circuitsPinoutSpecifications Parameter Symbol Limits Unit Applied voltage VCC ...
BA3129F: Features: · Can drive both dual or single power supplies.· Low noise. (Vn = 2mVrms typ.: FLAT)· Little switching noise.· Internal phase compensation.Application·Audio amplifiers and other electronic...
SeekIC Buyer Protection PLUS - newly updated for 2013!
268 Transactions
All payment methods are secure and covered by SeekIC Buyer Protection PLUS.

| Parameter |
Symbol |
Limits |
Unit | |
| Applied voltage |
VCC |
± 18 |
V | |
| Power dissipation | BA3129 |
Pd |
1100*1 |
mW |
| BA3129F |
450*2 | |||
| Operating temperature |
Topr |
20 ~ + 75 |
°C | |
| Storage temperature |
Tstg |
55 ~ + 125 |
°C | |
| Differential input voltage |
Vid |
± VCC |
V | |
| Common-mode input voltage |
Vi |
VCC ~ VCC |
V | |
| Load current |
IoMax. |
± 50 |
mA | |
The BA3129 and BA3129F contain two circuits with operational amplifiers configured of two differential input circuits, an output circuit, and a switch circuit. The two differential input circuits are separate, enabling independent settings to be entered for the amplifier gain and frequency characteristic.