Published:2011/8/10 21:41:00 Author:Amy From:SeekIC
By Christian Vossen
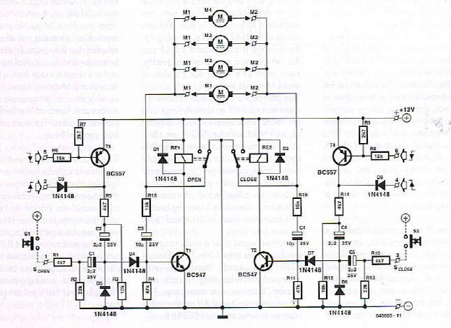
For a few pounds you can buy a kit from any automotive accessory shop that will allow your car to be fitted with a central-locking door system. Such a kit essentially comprises a number of motors. There is also a control unit that enables the whole system to function. Here we show an example of such a unit.
There are 5-wire motors and 2-wire motors. The 5-wire version is used in doors that have a key-lock.
There are 2 connections for the motor itself and 3 connections for the sensor part (an ’open’ and a ’close’ contact). These sensors determine whether the door is to be unlocked or locked. If there is no key lock in the door, these sensors are superfluous and a 2-wire motor can be used. 
The polarity of the motor determines whether the locking mechanism goes up or down. By making a circuit that simply reverses the polarity of the motor, the door con be either locked or unlocked.
The winding of the motor is connected between Ml and M2 in the schematic. When relay Rel is energized, all motors will, for example, rotate anti-clockwise. By activating Re2 the motors will rotate clockwise. This depends on the actual polarity of the motor, of course.
The sensors are connected to Rl and R10. Here you have to pay careful attention. If Rel causes the door to unlock, then Rel has must obviously be connected to the ’open’ contact. In that case, Re2 is for locking the doors and R10 is then connected to the ’close’ contact. The R/C-combinations R16/C3 and R15/C4 ensure that the relays are energized for a certain amount of time (obviously this can be changed if this time is too short or too long for your doors). This time has to be just long enough to lock or unlock the doors. The third wire of the sensors is the common and has to be connected to +12 V.
The RC circuits at the inputs Sopen en Sc|ose ensure that the motors are driven only once when the door is locked or unlocked.
In addition, there is a provision to allow the unit to be connected to a car alarm. There are two types of alarm available,
with positive or negative control. In order to make the unit universally applicable, both types of alarm can be used. The circuit around T3 and T4 makes this possible. The diode inputs [D3 and D8) react to a rising edge, R6 and R8 react to a falling edge. An RC lime constant is used here as well to ensure that both relays are energized only once.
Maybe this is stating the obvious: a motor unit has to be built into each door. All motor wires and sensor wires are connected in parallel to the electronics. The actual type of relay is not critical. The type indicated has the following proper-lies: coil 12 V/400 Si; max. switching current 12 A (AC), max. switching power 1200VA.
Finally, a car is a hostile environment for electronics. Ensure good connections, use automotive connectors and crimp these on the wires using the appropriate crimping tool. Solder connections in wires are best avoided. They have the tendency to break where the v/ire transitions into the solder connection when the v/ire is subject to vibration. Fasten the wires at regular intervals.
Reprinted Url Of This Article: http://www.seekic.com/blog/project_solutions/2011/08/10/Car_Central_Locking_System.html
Print this Page | Comments | Reading(3710)
Author:Ecco Reading(47912)
Author:Ecco Reading(4201)
Author:Ecco Reading(3920)
Author:Ecco Reading(4668)
Author:Ecco Reading(6009)
Author:Ecco Reading(4005)
Author:Ecco Reading(3675)
Author:Ecco Reading(4339)
Author:Ecco Reading(4695)
Author:Ecco Reading(4554)
Author:Ecco Reading(4436)
Author:Ecco Reading(3999)
Author:Ecco Reading(6853)
Author:Ecco Reading(4515)
Author:Ecco Reading(5396)