Published:2011/8/10 20:55:00 Author:Li xiao na From:SeekIC
By Georg Gerads
The operating principle of the Cuk Converter avoids the need for particular exotic components. That means we can right away take the plunge with a "heavy-duty" dc converter, which is ideal for use with fluctuating energy sources such as solar systems.
The Cuk Converter1 topology yields a theoretically infinite variety of currents and voltages. Consequently, all relevant parameters must be monitored. and conditions that could destroy the semiconductor devices used in the circuit must be avoided. The important parameters are the input current, the output voltage and the output current. Figure 1 shows how these quantities are measured. The voltage across the source resistor of the switching transistor (Rl) is used to limit the input current ij and set the short-circuit protection level. The output voltage U0 is regulated by monitoring the voltage Uon obtained using voltage divider R3/R4, and the output current i0 is measured by simply inserting a sense resistor (R2) in the output lead. 
Measurement circuitry power supply
Uon and ion are negative with respect to ground, so the circuit requires a bipolar power supply. If the Cuk Converter is operated from a transformer. the negative supply voltage can easily be generated using the capacitor charge-transfer arrangement shown in Figure 2. Besides the bridge rectifier and smoothing capacitor, this requires two additional diodes and capacitors. Of course, the negative supply can only power a light load, but that’s all we need here. 
If the circuit is operated from a battery, the negative auxiliary voltage can be generated by using a simple charge pump to periodically transfer charge to and from a capacitor, as shown in Figure 3. In this case, the switch actually consists of an astable multivibrator followed by a power stage. The printed circuit board for the Cuk Convener is designed to accommodate both options and the unnecessary components can simply be omitted. 
A control transformer with a secondary voltage of 24 VAC and a 500-VA power rating is a good choice for the power supply. Suitable types are readily available and quite inexpensive. Without a load, such a transformer will provide a voltage of around 35 V after rectification. This is also the upper limit for the input voltage of the two fixed voltage regulators.
Naturally, even higher secondary voltages can also be used. This improves the efficiency of the circuit, since the power stage can by operating with a smaller duty cycle and lower current levels. However, in this case you must do something to reduce the voltage at the regulator inputs, such as inserting Zener diodes in series with the input leads. These Zener diodes must be able to dissipate a rather hefty amount of power.
Bridge rectifier Bl also has to be able to dissipate a relatively large amount of power (as much as 15 W). The total thermal resistance to ambient for the high-power devices and heat sink should not exceed 1K/W. It is recommended to fit the components to a heat sink, but if this is not possible, a small fan should be used.
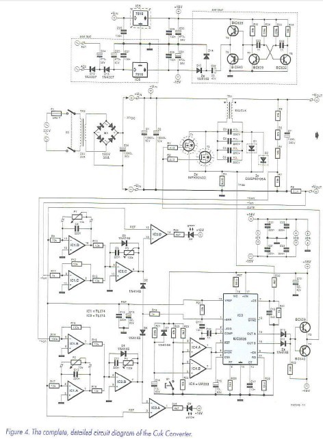
Power section 
The power section of the Cuk Converter (see Figure 4) corresponds to the block diagram in nearly all respects. Some of the components are present in duplicate or triplicate, in order to handle the rather high currents. The circuit’s high-power switching element is formed by two power MOSFETs made by Ixys, a California-based semiconductor manufacturer. The type KFK90N30 transistor can be used with drain-source voltages up to 300 V and currents up to 90 A (at 25℃), and it has an integrated source-drain diode with a recovery time less than 250 ns. The ’on- resistance of the drain-source channel is specified as 33 mΩ in the data sheet. In principle, it is also possible to use IBGTs rated at 25 A (at 150 mil and 1.8 V).
Diodes D1 and D2 are DSEP60-06A epitaxial soft-recovery diodes from the same manufacturer. They have a specified reverse blocking voltage of 600 V and a forward current rating of 60-70 A. Although this type of diode switches extremely fast (with a recovery time of only 35 ns), it avoids the severe current spikes generated by fast-recovery diodes. If you wish to use a different type, ensure that it has a recovery time of less than 50 ns and a forward current rating of at least 30 A. The transistors and diodes must have a specified maximum breakdown voltage of 300 V or more.
The capacitive coupling is provided by four MKT capacitors connected in parallel. 10 uF at 250 V is not exactly a standard catalogue item, but it is certainly available (Vishay 373 series; available from RS Components. Burklin and Spoerle).
Reprinted Url Of This Article: http://www.seekic.com/blog/project_solutions/2011/08/10/Cuk_Converter.html
Print this Page | Comments | Reading(2323)
Author:Ecco Reading(47912)
Author:Ecco Reading(4201)
Author:Ecco Reading(3920)
Author:Ecco Reading(4668)
Author:Ecco Reading(6009)
Author:Ecco Reading(4005)
Author:Ecco Reading(3675)
Author:Ecco Reading(4339)
Author:Ecco Reading(4695)
Author:Ecco Reading(4554)
Author:Ecco Reading(4436)
Author:Ecco Reading(3999)
Author:Ecco Reading(6853)
Author:Ecco Reading(4515)
Author:Ecco Reading(5396)