Published:2011/8/28 22:35:00 Author:Phyllis From:SeekIC
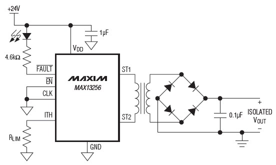
The MAX13256, an H-bridge transformer driver with a wide input-voltage range, is recently introduced by Maxim Integrated Products for isolated power supplies. This product makes sure that the efficient of isolated DC-DC converter could reach as high as 90 percent. 
It provides a simple solution to make up to 10W isolated power supplies. With a 300mA current from an 8V to 36V DC supply that is able to deliver up to 10W isolated power, the MAX13256 can drive the primary coil of a transformer. The transformer’s secondary-to-primary winding ratio defines the output voltage, allowing selection of virtually any isolated output voltage. This supply range eliminates external voltage regulation. Integrated protection features prevent system-level failures.
The MAX13256 reduces footprint with high integration in a tiny TDFN package and simplifies BOM complexity by eliminating 16 discrete components. These capabilities make the MAX13256 driver a simple way to create isolated power supplies in smart grid metering applications, and industrial and medical equipment. The device is in a small 10-pin (3mm x 3mm) TDFN package and is specified over the -40°C to +125°C automotive temperature range.
The features of the device include an external clock source input to synchronize multiple MAX13256 devices and precisely set the switching frequency, and an internal oscillator for autonomous operation. The device also features adjustable current limiting, allowing indirect limiting of secondary-side load currents. The current limit of the MAX13256 is set by an external resistor. No matter which clock source is used, the DC current would not flow through the transformer since the internal circuitry guarantees a fixed 50% duty cycle
Maxim is one of the fastest growing semiconductor companies. It designs, develops, manufactures, and markets a range of linear and mixed-signal integrated circuits worldwide. It also provides a range of high-frequency process technologies and capabilities for use in custom designs. The company primarily serves industrial, communications, consumer, and computing markets. The company markets its products through a direct-sales and applications organization, as well as through its own and other unaffiliated distribution channels.
Reprinted Url Of This Article: http://www.seekic.com/blog/project_solutions/2011/08/28/Maxim_Introduced_an_H_bridge_transformer_driver.html
Print this Page | Comments | Reading(3540)
Author:Ecco Reading(47882)
Author:Ecco Reading(4200)
Author:Ecco Reading(3920)
Author:Ecco Reading(4667)
Author:Ecco Reading(6008)
Author:Ecco Reading(4005)
Author:Ecco Reading(3675)
Author:Ecco Reading(4339)
Author:Ecco Reading(4694)
Author:Ecco Reading(4553)
Author:Ecco Reading(4436)
Author:Ecco Reading(3999)
Author:Ecco Reading(6853)
Author:Ecco Reading(4515)
Author:Ecco Reading(5395)