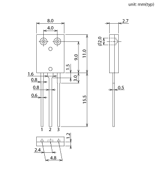
Features: · Low collector-to-emitter saturation voltage.· High fT.· Excellent linearity of hFE.· Short switching time.Application· Relay drivers, high-speed inverters, converters.PinoutSpecifications Absolute maximum ratings VCEO [V] 100 IC [A] 4 PC [W] 20 Tc=25°C ...
2SB1168: Features: · Low collector-to-emitter saturation voltage.· High fT.· Excellent linearity of hFE.· Short switching time.Application· Relay drivers, high-speed inverters, converters.PinoutSpecification...
SeekIC Buyer Protection PLUS - newly updated for 2013!
268 Transactions
All payment methods are secure and covered by SeekIC Buyer Protection PLUS.

| Absolute maximum ratings | |
|---|---|
| VCEO [V] | 100 |
| IC [A] | 4 |
| PC [W] | 20
Tc=25°C |
| Electrical characteristics | |
|---|---|
| hFE min | 70 |
| hFE max | 400 |
| VCE [V] | 5 |
| IC [A] | 0.5 |
| VCE (sat) typ [V] | 0.2 |
| VCE (sat) max [V] | 0.5 |
| IC [A] | 2 |
| IB [mA] | 200 |
|
Parameter |
Symbol |
Conditions |
Ratings |
Unit |
|
Collector-to-Base Voltage |
VCBO |
()120 |
V | |
|
Collector-to-Emitter Voltage |
VCEO |
()100 |
V | |
|
Emitter-to-Base Voltage |
IEBO |
()6 |
V | |
|
Drain Current |
IC |
()4 |
A | |
|
Collector Current (Pulse) |
ICP |
()8 |
A | |
|
Allowable Power Dissipation |
PD |
1.2 |
W | |
|
Tc=25°C |
20 |
W | ||
|
Channel Temperature |
Tj |
150 |
°C | |
|
Storage Temperature |
Tstg |
55 to +150 |
°C |