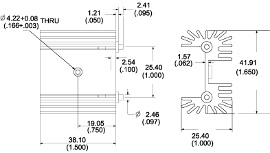
PinoutSpecifications Part# Description Finish Board Mounting 6398B-P2-CNE43 High power extruded Heatsink with large radial fins and solderable shoulder pins Black Anodize View Hole Dimensions This non-electronic component is functionally unaffected by the norm...
6398B-P2-CNE43: PinoutSpecifications Part# Description Finish Board Mounting 6398B-P2-CNE43 High power extruded Heatsink with large radial fins and solderable shoulder pins Black Anodize ...
SeekIC Buyer Protection PLUS - newly updated for 2013!
268 Transactions
All payment methods are secure and covered by SeekIC Buyer Protection PLUS.
US $3557.8 - 3735.71 / Piece
Multi-Paired Cable 28AWG 18PR SHIELD 1000ft SPOOL SLATE
US $1980.5 - 2046.24 / Piece
Multi-Paired Cable 28AWG 18PR SHIELD 500ft SPOOL SLATE

| Part # | Description | Finish | Board Mounting |
| 6398B-P2-CNE43 | High power extruded Heatsink with large radial fins and solderable shoulder pins | Black Anodize | View Hole Dimensions |
| This non-electronic component is functionally unaffected by the normal soldering or reflow processes used for semiconductor circuits. The heat resistance time or heat resistance temperature is not applicable for the component. | |||
| Thermal Resistance | 4.40 |