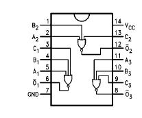
PinoutSpecificationsStorage Temperature -65°C to +150°CAmbient Temperature under Bias -55°C to +125°CJunction Temperature under Bias -55°C to +150°CVCC Pin Potential to Ground Pin -0.5V to +7.0VInput Voltage (Note 2)-0.5V to +7.0VInput Current (Note 2) -30 mA to +5.0 mAVoltage Applied to Outputin ...
74F27SJ: PinoutSpecificationsStorage Temperature -65°C to +150°CAmbient Temperature under Bias -55°C to +125°CJunction Temperature under Bias -55°C to +150°CVCC Pin Potential to Ground Pin -0.5V to +7.0VInpu...
SeekIC Buyer Protection PLUS - newly updated for 2013!
268 Transactions
All payment methods are secure and covered by SeekIC Buyer Protection PLUS.
