Features: ` 5V tolerant inputs` 2.3V to 3.6V VCC specifications provided` 5.0 ns tPD max (VCC 3.3V), 10 PA ICC max` Power down high impedance inputs and outputs` 24 mA output drive (VCC 3.0V)` Implements patented noise/EMI reduction circuitry` Latch-up performance exceeds 500 mA` ESD performance:H...
74LCX38: Features: ` 5V tolerant inputs` 2.3V to 3.6V VCC specifications provided` 5.0 ns tPD max (VCC 3.3V), 10 PA ICC max` Power down high impedance inputs and outputs` 24 mA output drive (VCC 3.0V)` Imple...
SeekIC Buyer Protection PLUS - newly updated for 2013!
268 Transactions
All payment methods are secure and covered by SeekIC Buyer Protection PLUS.
US $.23 - .39 / Piece
Gates (AND / NAND / OR / NOR) Quad 2-Input NAND Gate with 5V Tol Inp

|
Symbol |
Parameter |
Value |
Conditions |
Units |
| VCC | Supply Voltage |
-0.5 to +7.0 |
V | |
| VI | DC Input Voltage |
-0.5 to +7.0 |
V | |
| VO | DC Output Voltage |
-0.5 to +7.0 |
Output in HIGH or LOW State (Note 3) |
V |
| IIK | DC Input Diode Current |
-50 |
VI < GND |
mA |
| IOK | DC Output Diode Current |
-50 |
VO < GND |
mA |
| IO | DC Output Sink Current (IOL) |
+50 |
mA | |
| ICC | DC Supply Current per Supply Pin |
±100 |
mA | |
| IGND | DC Ground Current per Ground Pin |
±100 |
mA | |
| TSTG | Storage Temperature |
-65 to +150 |
°C |
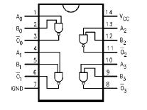
The 74LCX38 contains four 2-input open drain NAND gates. The inputs tolerate voltages up to 7V allowing the interface of 5V systems to 3V systems.
The 74LCX38 is fabricated with advanced CMOS technology to achieve high speed operation while maintaining CMOS low power dissipation.