Features: Input voltage translation from 5V to 3V Ideal for low power/low noise 3.3V applications Guaranteed simultaneous switching noise level and dynamic threshold performancePinoutSpecificationsSupply Voltage (VCC)-0.5V to +7.0VDC Input Diode Current (IIK)VI=-0.5V -20 mA DC Input Voltage T/R, ...
74LVX541: Features: Input voltage translation from 5V to 3V Ideal for low power/low noise 3.3V applications Guaranteed simultaneous switching noise level and dynamic threshold performancePinoutSpecificationsS...
SeekIC Buyer Protection PLUS - newly updated for 2013!
268 Transactions
All payment methods are secure and covered by SeekIC Buyer Protection PLUS.

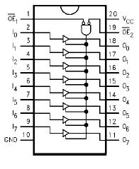
The 74LVX541 is an octal non-inverting buffer and line driver designed to be employed as a memory address driver, clock driver and bus oriented transmitter or receiver which provides improved PC board density. The inputs tolerate up to 7V allowing interface of 5V systems to 3V systems.