Features: ` HIGHSPEED: tPD = 4.8 ns (TYP.) atVCC= 5V` LOWPOWERDISSIPATION: ICC =1 mA (MAX.) at TA =25` HIGHNOISEIMMUNITY: VNIH=VNIL =28%VCC (MIN.)` POWERDOWN PROTECTIONON INPUTS` SYMMETRICAL OUTPUT IMPEDANCE: |IOH| = IOL = 8 mA(MIN)` BALANCEDPROPAGATIONDELAYS: tPLH @ tPHL` OPERATINGVOLTAGERANGE: V...
74V1G86: Features: ` HIGHSPEED: tPD = 4.8 ns (TYP.) atVCC= 5V` LOWPOWERDISSIPATION: ICC =1 mA (MAX.) at TA =25` HIGHNOISEIMMUNITY: VNIH=VNIL =28%VCC (MIN.)` POWERDOWN PROTECTIONON INPUTS` SYMMETRICAL OUTPUT ...
SeekIC Buyer Protection PLUS - newly updated for 2013!
268 Transactions
All payment methods are secure and covered by SeekIC Buyer Protection PLUS.

|
Symbol |
Parameter |
Value |
Unit |
|
VCC |
Supply Voltage |
0.5 to 7.0 |
V |
|
VI |
DC Input Voltage |
0.5 to 7.0 |
V |
|
VO |
DC Output Voltage |
0.5 to VCC + 0.5 |
V |
|
IIK |
DC Input Diode Current |
20 |
mA |
|
IOK |
DC Output Diode Current |
±20 |
mA |
|
IO |
DC Output Current |
±25 |
mA |
|
ICC or IGND |
DC VCC or Ground Current |
±50 |
mA |
|
Tstg |
Storage Temperature |
65 to 150
|
|
|
TL |
Lead Temperature (10 sec) |
260 |
AbsoluteMaximumRatingsarethose values beyond whichdamage to the device may occur. Functional operation
under these condition isnot implied.
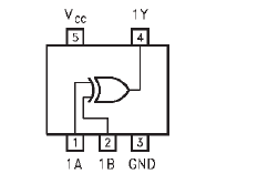
The 74V1G86 is an advanced high-speed CMOS SINGLE EXCLUSIVE OR GATE fabricated with sub-micron silicon gate and double-layer metal wiring C2MOS technology.
Power down protection of the 74V1G86 is provided on all inputs and 0 to 7V can be accepted on inputs with no regard to the supply voltage. This device can be used to interface 5V to 3V.