Features: Dual, 80 MSPS Minimum Sample RateChannel-to-Channel Matching, ±1% Gain Error90 dB Channel-to-Channel IsolationDC-Coupled Signal Conditioning80 dB Spurious-Free Dynamic RangeSelectable Bipolar Inputs (±1 V and ±0.5 V Ranges)Integral Single-Pole Low-Pass Nyquist FilterTwo's Complement Outp...
AD13280: Features: Dual, 80 MSPS Minimum Sample RateChannel-to-Channel Matching, ±1% Gain Error90 dB Channel-to-Channel IsolationDC-Coupled Signal Conditioning80 dB Spurious-Free Dynamic RangeSelectable Bipo...
SeekIC Buyer Protection PLUS - newly updated for 2013!
268 Transactions
All payment methods are secure and covered by SeekIC Buyer Protection PLUS.


| Resolution (Bits) | 12bit |
| T-Put Rate | 80MSPS |
| # Chan | 2 |
| Supply V | Multi(±5, +3.3) |
| Pwr Diss | 4.05W |
| Interface | Par |
| Ain Range | 1 V p-p,Bip 0.5V,Bip 1.0V |
| SNR (dB) | 70dB |
| Pkg Type | LCC |
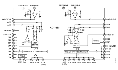
The AD13280 is a complete dual channel signal processing solution including on board amplifiers, references, ADCs, and output termination components to provide optimized system performance. The AD13280 has on-chip track-and-hold circuitry and utilizes an innovative multipass architecture to achieve 12-bit, 80 MSPS performance. The AD13280 uses innovative highdensity circuit design and laser-trimmed thin-film resistor networks to achieve exceptional channel matching, impedance control, and performance while still maintaining excellent isolation, and providing for significant board area savings.
Multiple options are provided for driving the analog input, including single-ended, differential, and optional series filtering. The AD13280 also offers the user a choice of analog input signal ranges to further minimize additional external signal conditioning, while still remaining general purpose.
The AD13280 operates with ±5.0 V for the analog signal conditioning with a separate 5.0 V supply for the analog-to-digital conversion, and 3.3 V digital supply for the output stage. Each channel is completely independent allowing operation with independent encode and analog inputs, and maintaining minimal crosstalk and interference.
The AD13280 is packaged in a 68-lead ceramic gull wing package. Manufacturing is done on Analog Devices, Inc. MIL-38534 Qualified Manufacturers Line (QML) and components are available up to Class-H (40°C to +85°C). The components are manufactured using Analog Devices, Inc. high-speed complementary bipolar process (XFCB).