Features: AD5302: Two 8-Bit Buffered DACs in One PackageAD5312: Two 10-Bit Buffered DACs in One PackageAD5322: Two 12-Bit Buffered DACs in One Package10-Lead mSOIC PackageMicropower Operation: 300 mA @ 5 V (IncludingReference Current)Power-Down to 200 nA @ 5 V, 50 nA @ 3 V+2.5 V to +5.5 V Power Su...
AD5302: Features: AD5302: Two 8-Bit Buffered DACs in One PackageAD5312: Two 10-Bit Buffered DACs in One PackageAD5322: Two 12-Bit Buffered DACs in One Package10-Lead mSOIC PackageMicropower Operation: 300 m...
SeekIC Buyer Protection PLUS - newly updated for 2013!
268 Transactions
All payment methods are secure and covered by SeekIC Buyer Protection PLUS.


| Resolution (Bits) | 8bit |
| DAC Update Rate | 167kSPS |
| DAC Settling Time | 6s |
| # DAC Outputs | 2 |
| DAC Type | Voltage Out |
| DAC Input Format | Ser,SPI |
| Output FSR | (Uni Vref) |
| Ref Int/Ext | Ext |
| Supply Vnom | Single(+2.5),Single(+2.7),Single(+3),Single(+3.3),Single(+5) |
| Pwr Diss | 2.5mW |
| Package | SOIC,SOP |
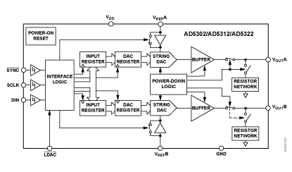
The AD5302/AD5312/AD5322 are dual 8-, 10- and 12-bit bufferedvoltage output DACs in a 10-lead mSOIC package thatoperate from a single +2.5 V to +5.5 V supply consuming230 mA at 3 V. Their on-chip output amplifiers allow the outputsto swing rail-to-rail with a slew rate of 0.7 V/ms.heAD5302/AD5312/AD5322 utilize a versatile 3-wire serial interface whichoperates at clock rates up to 30 MHz and is compatible withstandard SPI™, QSPI™, MICROWIRE™ and DSP interfacestandards.
The references for the two DACs AD5302 are derived from two referencepins (one per DAC). The reference inputs may be configured asbuffered or unbuffered inputs. The outputs of both DACs maybe updated simultaneously using the asynchronous LDAC input.Theparts incorporate a power-on-reset circuit that ensuresthat the DAC outputs power-up to 0 V and remain there until avalid write takesplace to the device. The parts contain a powerdownfeature that reduces the current consumption of thedevices to 200 nA at 5 V (50 nA at 3 V) and provides softwareselectableoutput loads while in power-down mode.
The low power consumption of these parts AD5302 in normal operationmake them ideally suited to portable battery operated equipment.The power consumption is 1.5 mW at 5 V, 0.7 mW at3 V, reducing to 1 mW in power-down mode.