Features: 16-BIT SINGLE CHANNEL SIGMA DELTA-ADCFactory Calibrated (field calibration not required)Output settles in one conversion cycle (single conversion mode)Programmable Gain Front End16-bit No Missing Codes13-bit Pk-Pk Resolution @ 20Hz, 20mV Range16-bit Pk-PK Resolution @ 20Hz, 2.56V RangeAp...
AD7709: Features: 16-BIT SINGLE CHANNEL SIGMA DELTA-ADCFactory Calibrated (field calibration not required)Output settles in one conversion cycle (single conversion mode)Programmable Gain Front End16-bit No ...
SeekIC Buyer Protection PLUS - newly updated for 2013!
268 Transactions
All payment methods are secure and covered by SeekIC Buyer Protection PLUS.


| Resolution (Bits) | 16bit |
| T-Put Rate | 105SPS |
| # Chan | 4 |
| Supply V | Single(+3),Single(+3.3),Single(+5) |
| Pwr Diss (max) | 8.8mW |
| Interface | Ser,SPI |
| Ain Range | (2Vref/PGA Gain) p-p |
| SNR (dB) | 126dB |
| Pkg Type | SOP |
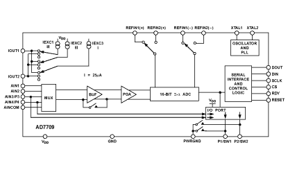
The AD7709 is a complete analog front-end for low frequency measurement applications. The AD7709 contains a 16-bit sigma delta ADC with PGA and can be configured as 2 fully-differential input channels or 4 pseudo-differential input channels. Inputs signal ranges from 20mV to 2.56V can be directly converted using the AD7709.
These signals can be converted directly from a transducer without the need for signal conditioning. Other on-chip AD7709 features include three software configurable current sources, switchable reference inputs, low side power switches and a 4-bit digital I/O port The device operates from a 32kHz crystal with an on-board PLL generating the required internal operating frequency.
The output data rate from the part is software programmable. The pk-pk resolution from the part varies with the programmed gain and output data rate.The part operates from a single +3V or +5V supply. When operating from +3V supplies, the power dissipation for the part is XmW. The AD7709 are housed in a 24-pin SOIC and TSSOP packages.