Features: Eight 14-Bit DACs in One PackageVoltage OutputsOffset Adjust for Each DAC PairReference Range of ±5 VMaximum Output Voltage Range of ±10 V±15 V± 10% OperationClear Function to User-Defined Voltage44-Lead MQFP PackageApplicationAutomatic Test EquipmentProcess ControlGeneral Purpose Instru...
AD7841: Features: Eight 14-Bit DACs in One PackageVoltage OutputsOffset Adjust for Each DAC PairReference Range of ±5 VMaximum Output Voltage Range of ±10 V±15 V± 10% OperationClear Function to User-Defined...
SeekIC Buyer Protection PLUS - newly updated for 2013!
268 Transactions
All payment methods are secure and covered by SeekIC Buyer Protection PLUS.


| DAC Input Format | Par |
| # DAC Outputs | 8 |
| Pwr Diss | 303mW |
| DAC Uni or Bip | Uni/Bip |
| DAC Vout Swing max | 20V p-p |
| Output FSR | (Bip 2Vref),(Uni 2Vref) |
| Package | QFP |
| Resolution (Bits) | 14bit |
| Supply Vnom | Multi(±15, +5Dig) |
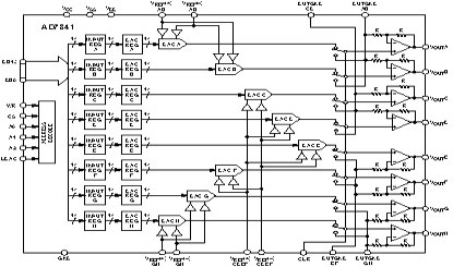
The AD7841 contains eight 14-bit DACs on one monolithic chip. It has output voltages with a full-scale range of ±10 V from reference voltages of ±5 V.
The AD7841 accepts 14-bit parallel loaded data from the external bus into one of the input registers under the control of the WR, CS and DAC channel address pins, A0A2.
The DAC outputs are updated on reception of new data into the DAC registers. All the outputs may be updated simultaneously by taking the LDAC input low.
Each DAC output is buffered with a gain-of-two amplifier into which an external DAC offset voltage can be inserted via the DUTGNDx pins.
The AD7841 is available in a 44-lead MQFP package.