Features: 14-bit resolution with no missing codesThroughput: 250 kSPSINL: ±0.4 LSB typ, ±1 LSB max (±0.0061 % of FSR)S/(N + D): 85 dB @ 20 kHzTHD: −100 dB @ 20 kHzPseudo-differential analog input range0 V to VREF with VREF up to VDDNo pipeline delaySingle-supply 5V operation with1.8 V/2.5 V/...
AD7942: Features: 14-bit resolution with no missing codesThroughput: 250 kSPSINL: ±0.4 LSB typ, ±1 LSB max (±0.0061 % of FSR)S/(N + D): 85 dB @ 20 kHzTHD: −100 dB @ 20 kHzPseudo-differential analog in...
SeekIC Buyer Protection PLUS - newly updated for 2013!
268 Transactions
All payment methods are secure and covered by SeekIC Buyer Protection PLUS.


| Resolution (Bits) | 14bit |
| T-Put Rate | 250kSPS |
| # Chan | 1 |
| Supply V | Single(+2.5),Single(+3),Single(+3.3),Single(+5) |
| Pwr Diss | 12.5mW |
| Interface | Ser,SPI |
| Ain Range | (Vref) p-p,Uni (Vref) |
| SNR (dB) | 85dB |
| Pkg Type | CSP,SOP |
| Parameter | Rating |
| Analog Inputs IN+3, IN−1, REF Supply Voltages VDD, VIO to GND VDD to VIO Digital Inputs to GND Digital Outputs to GND Storage Temperature Range Junction Temperature JA Thermal Impedance JC Thermal Impedance Lead Temperature Range Vapor Phase (60 sec) Infrared (15 sec) |
GND − 0.3 V to VDD + 0.3 V or ±130 mA −0.3 V to +7 V ±7 V −0.3 V to VIO + 0.3 V −0.3 V to VIO + 0.3 V −65°C to +150°C 150°C 200°C/W (MSOP-10) 44°C/W (MSOP-10) 215°C 220°C |
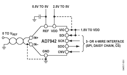
The AD7942 is a 14-bit, charge redistribution successive approximation, analog-to-digital converter (ADC) that operates from a single 5V power supply, VDD. It contains a low power, high speed, 14-bit sampling ADC with no missing codes, an internal conversion clock, and a versatile serial interface port. The part also contains a low noise, wide bandwidth, short aperture delay track-and-hold circuit. On the CNV rising edge, it samples an analog input IN+ between 0 V to REF with respect to a ground sense IN−. The reference voltage, REF, is applied externally and can be set up to the supply voltage.
Its power scales linearly with throughput.
The SPI compatible serial interface also features the ability, using the SDI input, to daisy chain several ADCs on a single 3-wire bus and provides an optional BUSY indicator. It is compatible with 1.8 V, 2.5 V, 3 V, or 5 V logic using the separate supply VIO.
The AD7942 is housed in a 10-lead MSOP or a 10-lead QFN (LFCSP) with operation specified from −40°C to +85°C.