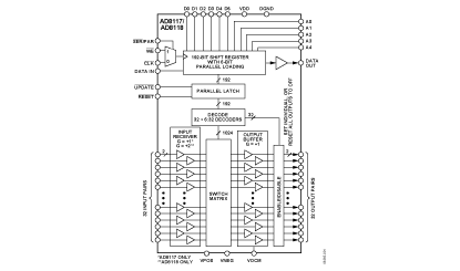
PinoutSpecifications Type 32 X 32 Output Buffer Yes G = 1 Supply Voltage (V) ±2.5V Output Swing (V) ±2V ...
AD8117: PinoutSpecifications Type 32 X 32 Output Buffer Yes G = 1 Supply Voltage ...
SeekIC Buyer Protection PLUS - newly updated for 2013!
268 Transactions
All payment methods are secure and covered by SeekIC Buyer Protection PLUS.

| Type | 32 X 32 |
| Output Buffer | Yes G = 1 |
| Supply Voltage (V) | ±2.5V |
| Output Swing (V) | ±2V |
| Small Signal BW (MHz) | 600MHz |
| Slew Rate (V/us) | 1800 |
| Cross Talk @ 10 MHz (-dB) | 65 |
| Control Interface | Serial/Parallel |