Features: 256 PositionReplaces 1, 2 or 4 Potentiometers1 kV, 10 kV, 50 kV, 100 kVPower Shut Down-Less than 5 mA3-Wire SPI Compatible Serial Data Input10 MHz Update Data Loading Rate+2.7 V to +5.5 V Single-Supply OperationMidscale PresetApplicationMechanical Potentiometer ReplacementProgrammable Fi...
AD8403: Features: 256 PositionReplaces 1, 2 or 4 Potentiometers1 kV, 10 kV, 50 kV, 100 kVPower Shut Down-Less than 5 mA3-Wire SPI Compatible Serial Data Input10 MHz Update Data Loading Rate+2.7 V to +5.5 V ...
SeekIC Buyer Protection PLUS - newly updated for 2013!
268 Transactions
All payment methods are secure and covered by SeekIC Buyer Protection PLUS.

| # Channels | 4 |
| # Positions | 256 |
| Memory Type | Volatile |
| Interface | SPI |
| Resistor Values (kOhms) | 1, 10, 50, 100 |
| Voltage Range (V) | +5.5V |
| Supply Current (max) | 0.01A |
| Temp. Range -40 °C to.. | 125Deg |
| Absolute Tempco (ppm/°C) | 500ppm/C |
| Package | PDIP,SOIC,TSSOP |
The AD8400/AD8402/AD8403 provide a single, dual or quad channel, 256 position digitally controlled variable resistor (VR)device. These devices perform the same electronic adjustment function as a potentiometer or variable resistor. The AD8400 contains a single variable resistor in the compact SO-8 package.
The AD8402 contains two independent variable resistors in space saving SO-14 surface mount package. The AD8403 contains four independent variable resistors in 24-lead PDIP, SOIC and TSSOP packages.Each part contains a fixed resistor with a wiper contact that taps the fixed resistor value at a point determined by a digital code loaded into the controlling serial input register. The resistance between the wiper and either endpoint of the fixed resistor varies linearly with respect to the digital code transferred into the VR latch. Each variable resistor offers a completely programmable value of resistance, between the A terminal and the wiper or the B terminal and the wiper. The
fixed A to B terminal resistance of 1 kΩ, 10 kΩ, 50 kΩ or 100 kΩ has a ±1% channel-to-channel matching tolerance with a nominal temperature coefficient of 500 ppm/°C. A unique switching circuit minimizes the high glitch inherent in traditional switched resistor designs avoiding any make-before-break or break-before- make operation.
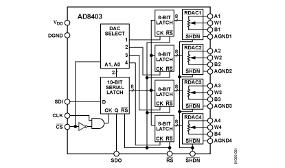
Each VR has its own VR latch that holds its programmed resistance value. These VR latches are updated from an SPI
compatible serial-to-parallel shift register that is loaded from a standard 3-wire serial-input digital interface. Ten data bits make up the data word clocked into the serial input register. The data word is decoded where the first two bits determine the address of the VR latch to be loaded, the last eight bits are data. A serial data output pin at the opposite end of the serial register allows simple daisy-chaining in multiple VR applications without additional external decoding logic.
The reset (RS) pin of AD8400/AD8402/AD8403 forces the wiper to the midscale position by loading 80H into the VR latch. The SHDN pin forces the resistor to an end-to-end open circuit condition on the A terminal and shorts the wiper to the B terminal, achieving a microwatt power shutdown state. When SHDN is returned to logic high, the previous latch settings put the wiper in the same resistance setting prior to shutdown. The digital interface is still active in shutdown so that code changes can be made which will produce new wiper positions when the device is taken out of shutdown.
The AD8400 is available in both the SO-8 surface mount and the 8-lead plastic DIP package.
The AD8402 is available in both surface mount (SO-14) and the 14-lead plastic DIP package, while the AD8403 is available in a narrow body 24-lead plastic DIP and the 24-lead surface mount package. The AD8402/AD8403 are also offered in the 1.1 mm thin TSSOP-14/TSSOP-24 package for PCMCIA applications. All parts are guaranteed to operate over the extended industrial temperature range of 40°C to +85°C.