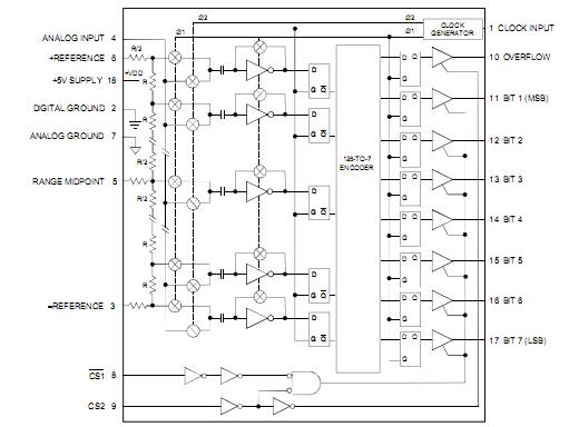
Features: • 7-bit flash A/D converter• 20MHz sampling rate• Low power (250mW)• Single +5V supply• 1.2 micron CMOS technology• 7-bit latched 3-state output with overflow bit• Surface-mount versions• High-reliability version• No missing codesPino...
ADC-207: Features: • 7-bit flash A/D converter• 20MHz sampling rate• Low power (250mW)• Single +5V supply• 1.2 micron CMOS technology• 7-bit latched 3-state output with ov...
SeekIC Buyer Protection PLUS - newly updated for 2013!
268 Transactions
All payment methods are secure and covered by SeekIC Buyer Protection PLUS.
