Features: Output frequency range: 350 MHz to 1800 MHz Divide-by-2 output 3.0 V to 3.6 V power supply 1.8 V logic compatibility Integer-N synthesizer Programmable dual-modulus prescaler 8/9, 16/17 Programmable output power level 3-wire serial interface Analog and digital lock detect Hardware and s...
ADF4360-7: Features: Output frequency range: 350 MHz to 1800 MHz Divide-by-2 output 3.0 V to 3.6 V power supply 1.8 V logic compatibility Integer-N synthesizer Programmable dual-modulus prescaler 8/9, 16/17 P...
SeekIC Buyer Protection PLUS - newly updated for 2013!
268 Transactions
All payment methods are secure and covered by SeekIC Buyer Protection PLUS.


| Type | Synthesizer/VCO Integer-N |
| Output Frequency Range | 350-1800 MHz |
| Norm Phase Noise (dBc/Hz) | -217dBc |
| Max REFin (MHz) | 250MHz |
| RF Prescalers | 16/17,8/9 |
| Prog Supply Current (mA) | 25-45 |
| Programmable Output Power | -13 dBm to -4dBm |
| Package | 24-Lead CSP |
| Parameter | Rating |
| AVDD to GND1 AVDD to DVDD VVCO to GND VVCO to AVDD Digital I/O Voltage to GND Analog I/O Voltage to GND REFIN to GND Operating Temperature Range Maximum Junction Temperature CSP JA Thermal Impedance Paddle Soldered Paddle Not Soldered Lead Temperature, Soldering Vapor Phase (60 sec) Infrared (15 sec) |
−0.3 V to +3.9 V |
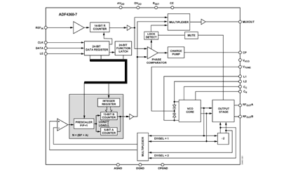
The ADF4360-7 is an integrated integer-N synthesizer and voltage controlled oscillator (VCO). The ADF4360-7 center frequency is set by external inductors. This allows a frequency range of between 350 MHz to 1800 MHz. In addition, a divide-by-2 option is available, whereby the user receives an RF output of between 175 MHz and 900 MHz.
Control of all the on-chip registers is through a simple 3-wire interface. ADF4360-7 operates with a power supply ranging from 3.0 V to 3.6 V and can be powered down when not in use.