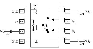
Features: Positive ControlHigh Isolation (45 dB @ 0.9 GHz)Low Insertion Loss (0.5 dB @ 0.9 GHz)PinoutSpecifications Characteristic Value RF Input Power 1 W Max. > 0.9 GHz0/+5 V Control Supply Voltage +8 V Control Voltage -0.2 V, +8 V Operating Temperature -40°C to +85°C ...
AS118-12: Features: Positive ControlHigh Isolation (45 dB @ 0.9 GHz)Low Insertion Loss (0.5 dB @ 0.9 GHz)PinoutSpecifications Characteristic Value RF Input Power 1 W Max. > 0.9 GHz0/+5 V Control ...
SeekIC Buyer Protection PLUS - newly updated for 2013!
268 Transactions
All payment methods are secure and covered by SeekIC Buyer Protection PLUS.

| Characteristic | Value |
| RF Input Power | 1 W Max. > 0.9 GHz 0/+5 V Control |
| Supply Voltage | +8 V |
| Control Voltage | -0.2 V, +8 V |
| Operating Temperature | -40°C to +85°C |
| Storage Temperature | -65°C to +150°C |
| JC | 25°C/W |
The AS118-12 is a reflective SPDT FET IC switch. The switch requires external DC blocking capacitors, positive supply and two positive controls. The device is mounted in a plastic SOIC-8 package for surface mounting and is ideal for use in high isolation switching applications, such as base station synthesizer switching.