Features: Operating frequency DC6 GHzPositive low voltage control (0/+3 V operation)Low insertion loss PHEMT processAvailable lead (Pb)-free MSL-1 @ 250 °C per JEDEC J-STD-020ApplicationWLAN 802.11a,b,g diversityPinoutSpecifications Characteristic Value RF Input Power +35 dBm > 500 MH...
AS218-321: Features: Operating frequency DC6 GHzPositive low voltage control (0/+3 V operation)Low insertion loss PHEMT processAvailable lead (Pb)-free MSL-1 @ 250 °C per JEDEC J-STD-020ApplicationWLAN 802.11a...
SeekIC Buyer Protection PLUS - newly updated for 2013!
268 Transactions
All payment methods are secure and covered by SeekIC Buyer Protection PLUS.

| Characteristic | Value |
| RF Input Power | +35 dBm > 500 MHz 0/+7 V control |
| Supply Voltage | +8 V |
| Control Voltage | -0.2 V, +8 V |
| Operating Temperature | -40°C to +85°C |
| Storage Temperature | -65°C to +150°C |
| JC | 25°C/W |
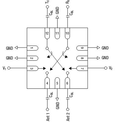
The AS218-321 is a kind of broadband transfer switch. It is designed to combine T/R and antenna diversity switching functions on a single IC. It is capable of covering both the 2.4 and 5 GHz bands. Besides, the device is intended to handle high power and maintain high linearity at low control voltages. The typical applications include WLAN 802.11a, b, g diversity.
There are some features of AS218-321 as follows: (1) operating frequency DC6 GHz; (2) positive low voltage control (0/+3 V operation); (3) low insertion loss; (4) PHEMT process; (5) available lead (Pb)-free MSL-1 @ 250 per JEDEC J-STD-020.
What comes next is about the operating characteristics of AS218-321 at 25 (0, +3 V). (1):typical 2nd and 3rd harmonic is 63 dBc when 23 dBm input @ 0,+3 V and 2-6 GHz frequency; (2):typical P1 dB is 33 dBm when 2-6 GHz frequency; (3):typical IIP3 is 54 dBm when 20 dBm per tone, 2-3 GHz frequency and 47 dBm when 22 dBm per tone, 5-6 GHz frequency; (4):control voltages: VLOW=0-0.2 V @ 20 A max and VHIGH=3-5 V @ 200 A max.
The AS218-321 is a broadband transfer switch designed to combine T/R and antenna diversity switching functions on a single IC.The device is designed to handle high power and maintain high linearity at low control voltages.This low cost switch is ideal for Wi-Fi systems and is capable of covering both the 2.4 and 5 GHz bands.