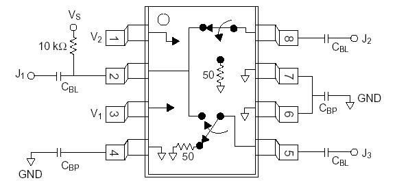
Features: · High Isolation (35 dB @ 0.9 GHz)· Low DC Power Consumption· Non-ReflectivePinoutDescriptionThe ASC02M2-12 is a low cost IC FET SPDT nonreflective switch in a plastic SOIC-8 package. The switch operates with -5, 0 V or 0, +5 V when floated as shown on the following page. This general pu...
ASC02M2-12: Features: · High Isolation (35 dB @ 0.9 GHz)· Low DC Power Consumption· Non-ReflectivePinoutDescriptionThe ASC02M2-12 is a low cost IC FET SPDT nonreflective switch in a plastic SOIC-8 package. The ...
SeekIC Buyer Protection PLUS - newly updated for 2013!
268 Transactions
All payment methods are secure and covered by SeekIC Buyer Protection PLUS.
Features: · Low Cost SOIC-8 Plastic Package· Independent Four Port Switching· Individual Voltage C...
Features: · High Isolation (35 dB @ 0.9 GHz)· Low Insertion Loss (0.5 dB @ 0.9 GHz)· Low DC Power ...

The ASC02M2-12 is a low cost IC FET SPDT nonreflective switch in a plastic SOIC-8 package. The switch operates with -5, 0 V or 0, +5 V when floated as shown on the following page. This general purpose SPDT switch is used in various telecommunications applications.