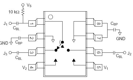
Features: · High Isolation (35 dB @ 0.9 GHz)· Low Insertion Loss (0.5 dB @ 0.9 GHz)· Low DC Power ConsumptionPinoutDescriptionThe ASC02R2-12 is a low cost IC FET SPDT reflective general purpose switch in a plastic SOIC-8 package for commercial low cost, low power applications. The switch operates ...
ASC02R2-12: Features: · High Isolation (35 dB @ 0.9 GHz)· Low Insertion Loss (0.5 dB @ 0.9 GHz)· Low DC Power ConsumptionPinoutDescriptionThe ASC02R2-12 is a low cost IC FET SPDT reflective general purpose swit...
SeekIC Buyer Protection PLUS - newly updated for 2013!
268 Transactions
All payment methods are secure and covered by SeekIC Buyer Protection PLUS.
Features: · Low Cost SOIC-8 Plastic Package· Independent Four Port Switching· Individual Voltage C...
Features: · High Isolation (35 dB @ 0.9 GHz)· Low DC Power Consumption· Non-ReflectivePinoutDescri...

The ASC02R2-12 is a low cost IC FET SPDT reflective general purpose switch in a plastic SOIC-8 package for commercial low cost, low power applications. The switch operates with -5, 0 V or 0, +5 V when floated as shown on the following page.