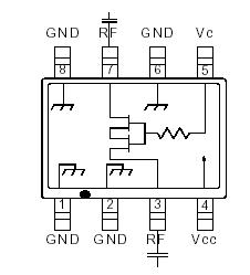
Features: • Single Positive Voltage Control 0 to +3 Volts• 40 dB Attenuation Range at 0.9 GHz• ± 2 dB Linearity from BSL• Low DC Power Consumption• Low Cost SOIC-8 Plastic Package• Tape and Reel Packaging AvailablePinoutSpecifications Parameter Absolut...
AT-113: Features: • Single Positive Voltage Control 0 to +3 Volts• 40 dB Attenuation Range at 0.9 GHz• ± 2 dB Linearity from BSL• Low DC Power Consumption• Low Cost SOIC-8 Plas...
SeekIC Buyer Protection PLUS - newly updated for 2013!
268 Transactions
All payment methods are secure and covered by SeekIC Buyer Protection PLUS.

|
Parameter |
Absolute Maximum |
Maximum Input Power Supply Voltage VCC Control Voltage VC Operating Temperature Storage Temperature |
+21 dBm -1V, +8V -1V, VCC +0.5V 40°C to +85°C 65°C to +150°C |