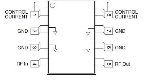
Features: · +40 dBm IP3 Typical· Low Loss 1 dB Typical· Attenuation 30 dB Typical· Good VSWR <1.5:1 Typical· Low Phase ShiftPinoutSpecifications Characteristic Value RF Input Power 0.5 W CW, 4 W @ 12.5% Duty Cycle Control Current 50 mA...
AV111-12: Features: · +40 dBm IP3 Typical· Low Loss 1 dB Typical· Attenuation 30 dB Typical· Good VSWR <1.5:1 Typical· Low Phase ShiftPinoutSpecifications Characteristic Value R...
SeekIC Buyer Protection PLUS - newly updated for 2013!
268 Transactions
All payment methods are secure and covered by SeekIC Buyer Protection PLUS.

Characteristic |
Value |
| RF Input Power | 0.5 W CW, 4 W @ 12.5% Duty Cycle |
| Control Current | 50 mA Each Diode |
| Operating Temperature | -40 to +85°C |
| Storage Temperature | -40 to +85°C |
| Maximum Reverse Diode Voltage | -10 V |
| Electrostatic Discharge | +125 V |