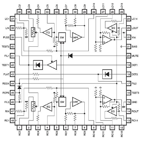
Features: 1) Four sound quality settings are possible by DC control.2) High-frequency sounds can be cut off based on the volume.3) The sound leak reduction circuit can be turned on and off by DC control.ApplicationHeadphone stereosPortable CD playersPinoutSpecificationsDescriptionThe BA3840KV is a...
BA3840KV: Features: 1) Four sound quality settings are possible by DC control.2) High-frequency sounds can be cut off based on the volume.3) The sound leak reduction circuit can be turned on and off by DC con...
SeekIC Buyer Protection PLUS - newly updated for 2013!
268 Transactions
All payment methods are secure and covered by SeekIC Buyer Protection PLUS.


The BA3840KV is a preset graphic equalizer IC for headphone stereos. It combines two equalizer circuit channels on a single chip, and also includes a dynamic sound leak reduction circuit.