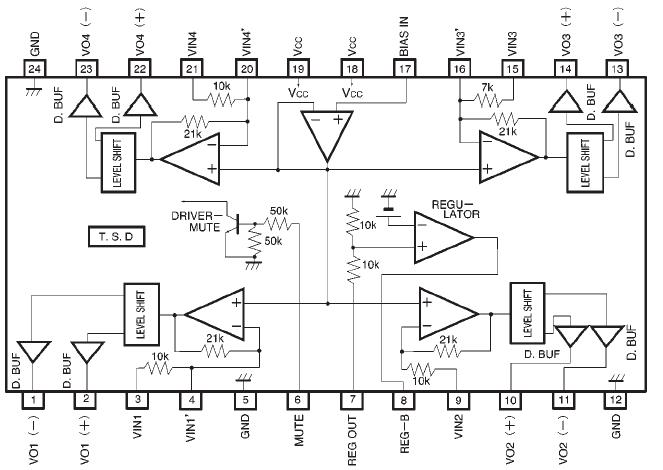
Features: 4-channel BTL driver. SDIP M 24-pin package for high package power. Internal thermal shutdown circuit. Driver gain is adjustable with a single attached resistor. Internal 5V regulator. (requires attached PNP transistor)Application CD players and CD-ROM drivesPinoutSpecifications Par...
BA6798S: Features: 4-channel BTL driver. SDIP M 24-pin package for high package power. Internal thermal shutdown circuit. Driver gain is adjustable with a single attached resistor. Internal 5V regulator. (re...
SeekIC Buyer Protection PLUS - newly updated for 2013!
268 Transactions
All payment methods are secure and covered by SeekIC Buyer Protection PLUS.
Features: 1) Output voltage can be freely set using the output voltage setting pin.2) Internal mut...
4-channel BTL driver.
SDIP M 24-pin package for high package power.
Internal thermal shutdown circuit.
Driver gain is adjustable with a single attached resistor.
Internal 5V regulator. (requires attached PNP transistor)

| Parameter | Symbol | Limits | Unit |
| Power supply voltage | Vcc |
18 | V |
| Power dissipation | Pd | 3.1* | W |
| Operating temperature | Topr | -35~+85 | |
| Storage temperature | Tstg | -55~+150 |
The BA6798S is a 4-channel H-bridge BTL driver for CD players and actuators. The 5V regulator and internal standard operational amplifier make this IC suited to a broad range of applications.