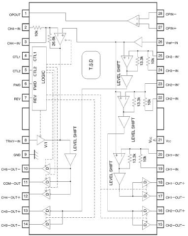
Features: 28-pin HSOP package allows for miniaturization of applications. Gain is adjustable with a single attached resistor. Wide dynamic range (5 or 4V when VCC=8V) Adaptable for low-voltage servos.Application CD, MD players and other optical disc applicationsPinoutSpecifications Parameter ...
BA6995FP: Features: 28-pin HSOP package allows for miniaturization of applications. Gain is adjustable with a single attached resistor. Wide dynamic range (5 or 4V when VCC=8V) Adaptable for low-voltage servo...
SeekIC Buyer Protection PLUS - newly updated for 2013!
268 Transactions
All payment methods are secure and covered by SeekIC Buyer Protection PLUS.
US $.42 - .42 / Piece
Motor / Motion / Ignition Controllers & Drivers 1-PHASE MOTOR DRIVER 8-PIN

| Parameter | Symbol | Limits | Unit |
| Power supply voltage | Vcc |
18 | V |
| Power dissipation | Pd |
1800*1 |
mW |
| Operating temperature | Topr | -35~+85 | |
| Storage temperature | Tstg | -55~+150 |
The BA6995FP is 5-channel BTL driver for CD and MD player actuators and spindle, thread and loading motors. The spindle driver and loading driver share a single buffer, and either can be driven via the control pin.