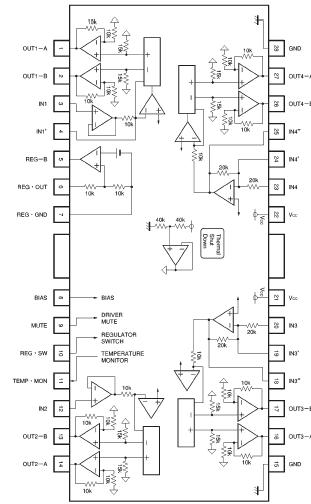
Features: 4-channel BTL driver for CD players. Wide dynamic range. Internal thermal shutdown circuit. Internal level shift circuit, for a minimum of attached components. Internal 5V regular with switch.Application CD players and other optical disc devicesPinoutSpecifications Parameter Symbol...
BA6997FM: Features: 4-channel BTL driver for CD players. Wide dynamic range. Internal thermal shutdown circuit. Internal level shift circuit, for a minimum of attached components. Internal 5V regular with swi...
SeekIC Buyer Protection PLUS - newly updated for 2013!
268 Transactions
All payment methods are secure and covered by SeekIC Buyer Protection PLUS.
US $.42 - .42 / Piece
Motor / Motion / Ignition Controllers & Drivers 1-PHASE MOTOR DRIVER 8-PIN
4-channel BTL driver for CD players.
Wide dynamic range.
Internal thermal shutdown circuit.
Internal level shift circuit, for a minimum of attached components.
Internal 5V regular with switch.

| Parameter | Symbol | Limits | Unit | |
| Power supply voltage | Vcc |
18 | V | |
| Power dissipation | BA6997FP | Pd | 1800*1*2 | mW |
| BA6997FM | 2200*1*3 | |||
| Operating temperature | Topr | -40~+85 | ||
| Storage temperature | Tstg | -55~+150 | ||
The BA6997FP and BA6997FM, both designed for CD players, have an internal 4-channel BTL driver and 5V regulator (which requires attached PNP transistor), as well as switches for the 5V regulator and temperature monitor pins.