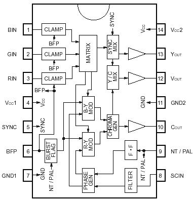
Features: Supports both NTSC and PAL systems. Internal flip-flop circuit for PAL common mode switching Equipped with Y / C separated output pin. Internal 75 driver Supports subcarrier pulse for color inputApplication TV peripheral devicesPinoutSpecifications Parameter Symbol Limits Unit ...
BA7242F: Features: Supports both NTSC and PAL systems. Internal flip-flop circuit for PAL common mode switching Equipped with Y / C separated output pin. Internal 75 driver Supports subcarrier pulse for col...
SeekIC Buyer Protection PLUS - newly updated for 2013!
268 Transactions
All payment methods are secure and covered by SeekIC Buyer Protection PLUS.
Supports both NTSC and PAL systems.
Internal flip-flop circuit for PAL common mode switching
Equipped with Y / C separated output pin.
Internal 75 driver
Supports subcarrier pulse for color input

| Parameter | Symbol | Limits | Unit |
| Power supply voltage | Vcc |
7 | V |
| Power dissipation | Pd | 450* | mW |
| Operating temperature | Topr | 20~+ 70 | |
| Storage temperature | Tstg | 55 ~ + 125 |
The BA7242F is an IC which converts analog RGB signals to NTSC and PAL color TV signals. In addition to composite output, luminance output, chrominance output, and analog RGB output are available. Each type of output is equipped with an internal 75 driver.