IC SWITCHER VIDEO SIGNAL DIP16
SeekIC Buyer Protection PLUS - newly updated for 2013!
268 Transactions
All payment methods are secure and covered by SeekIC Buyer Protection PLUS.
| Series: | - | Manufacturer: | Rohm Semiconductor |
| Function: | Video Switch | Circuit: | 3 x 2:1 |
| On-State Resistance: | - | Voltage Supply Source: | Single Supply |
| Voltage - Supply, Single/Dual (±): | 4.5 V ~ 5.5 V | Current - Supply: | 14mA |
| Operating Temperature: | -40°C ~ 85°C | Maximum Power Dissipation : | 3.2 W |
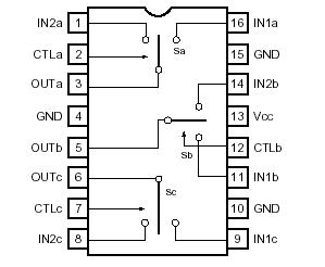
| Mounting Type: | Through Hole | Package / Case: | 16-DIP (0.300", 7.62mm) |
| Supplier Device Package: | 16-DIP |
Three 2-input / 1-output switches.
5V power supply.
Low power consumption (70mW Typ.).
Excellent frequency characteristics (10MHz, 0dB Typ.).
Wide dynamic range (3.1VP-P Typ.).
High input impedance (20k Typ.).
Fast switching speed (50ns Typ.).

| Parameter | Symbol | Limits | Unit | |
| Power supply voltage | Vcc |
9 | V | |
| Power dissipation | Pd | 500* | mV | |
| Operating temperature | Topr | 40~+ 85 | ||
| Storage temperature | Tstg | −55 ~+125 | ||
The BA7602 and BA7602F are switching ICs developed for use in VCRs. Each contains three two-channel analog multiplexers. They feature a large dynamic range, and wide operating frequency range, and are suitable for switching audio and video signals.
| Technical/Catalog Information | BA7602 |
| Vendor | Rohm |
| Category | Integrated Circuits (ICs) |
| Lead Free Status | Lead Free |
| RoHS Status | RoHS Compliant |
| Other Names | BA7602 BA7602 |