Features: Small clamp capacitors can be used (ceramic, 3000pF (Min.), 0.01F (FS) (recommended)). Low supply voltage operation possible. Supply voltage range is 3.7V to 7.7V. Superimposition used for fast switching speed with low switching noise (70nsec. Typ.). Low power consumption (when VCC = 5V,...
BA7653AF: Features: Small clamp capacitors can be used (ceramic, 3000pF (Min.), 0.01F (FS) (recommended)). Low supply voltage operation possible. Supply voltage range is 3.7V to 7.7V. Superimposition used for...
SeekIC Buyer Protection PLUS - newly updated for 2013!
268 Transactions
All payment methods are secure and covered by SeekIC Buyer Protection PLUS.
Small clamp capacitors can be used (ceramic, 3000pF (Min.), 0.01F (FS) (recommended)).
Low supply voltage operation possible. Supply voltage range is 3.7V to 7.7V.
Superimposition used for fast switching speed with low switching noise (70nsec. Typ.).
Low power consumption (when VCC = 5V, 25mW Typ.).
Wide dynamic range (3.1VP-P Typ. for VCC = 5V).
Excellent frequency characteristics (10MHz, 0dB Typ.).
Low interchannel crosstalk ( 70dB Typ.).
Voltage can be applied to the control pins even when VCC is not applied.

| Parameter | Symbol | Limits | Unit |
| Applied voltage | Vcc |
9 | V |
| Power dissipation | Pd | 500* | mW |
| Operating temperature | Topr | −25 ~+75 | |
| Storage temperature | Tstg | −55 ~+125 |
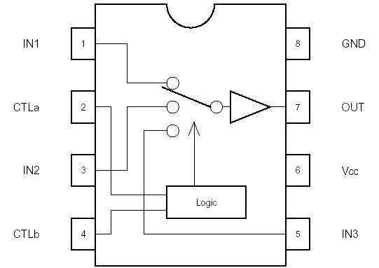
The BA7653AF is a video-signal switching IC that contains a three-channel clamped-input multiplexer. The inputs are sync-tip clamped (synchronous edge of the video input signals are aligned to the same voltage), and as the input impedance is extremely large, it is possible to use a small value for the clamp capacitor (the recommended capacitor is 0.01F (FZ) ceramic).