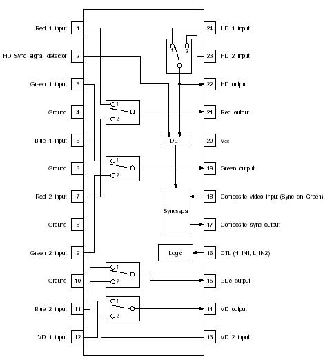
Features: Operates on a single 5V power supply. Internal broadband RGB switch (frequency characteristics: 230MHz, 3dB). Internal HD / VD switch. Internal synchronization separator for synchronizing signals superimposed onto G signals.Application CRT display, HDTV, video board for personal compute...
BA7657F: Features: Operates on a single 5V power supply. Internal broadband RGB switch (frequency characteristics: 230MHz, 3dB). Internal HD / VD switch. Internal synchronization separator for synchronizing...
SeekIC Buyer Protection PLUS - newly updated for 2013!
268 Transactions
All payment methods are secure and covered by SeekIC Buyer Protection PLUS.
Operates on a single 5V power supply.
Internal broadband RGB switch (frequency characteristics: 230MHz, 3dB).
Internal HD / VD switch.
Internal synchronization separator for synchronizing signals superimposed onto G signals.

| Parameter | Symbol | Limits | Unit | |
| Power supply voltage | VCC |
8.0 | V | |
| Power dissipation | BA7657F | Pd | 550* | mW |
| BA7657S | 1200* | |||
| Operating temperature | Topr | 25 ~ + 75 | ||
| Storage temperature | Tstg | 55 ~ + 125 | ||
The BA7657F and BA7657S are for high definition displays, and have internal switches for switching between broadband RGB signals and HD / VD signals, as well as an internal synchronization separator. These ICs simplify the designing of input units for deluxe displays.