Features: Operates on a single 5V power supply. Internal broadband RGB selector with a frequency characteristic of 230MHz ( 3dB) Internal HD / VD selector. Internal separator for synchronization signal superimposed on the G signal. Internal detector for NUTEK power saving signals.Application CRT ...
BA7658AFS: Features: Operates on a single 5V power supply. Internal broadband RGB selector with a frequency characteristic of 230MHz ( 3dB) Internal HD / VD selector. Internal separator for synchronization si...
SeekIC Buyer Protection PLUS - newly updated for 2013!
268 Transactions
All payment methods are secure and covered by SeekIC Buyer Protection PLUS.
Operates on a single 5V power supply.
Internal broadband RGB selector with a frequency characteristic of 230MHz ( 3dB)
Internal HD / VD selector.
Internal separator for synchronization signal superimposed on the G signal.
Internal detector for NUTEK power saving signals.

| Parameter | Symbol | Limits | Unit |
| Power supply voltage | VCC |
7.0 | V |
| Power dissipation | Pd | 850* | mW |
| Operating temperature | Topr | 25 ~ + 75 | |
| Storage temperature | Tstg | 55 ~ + 125 |
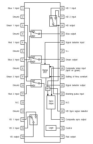
The BA7658AFS is an IC designed for high definition displays, and has an internal selector circuit for broadband RGB signals and HD / VD signals, a synchronization separator circuit, and a NUTEK signal detector circuit. This IC chip simplifies the configuration of input blocks for high-end displays.