Features: 1) Can be coupled directly to D / A converter output.2) Operates at a low power consumption (115mW typ.).3) Internal output muting circuit.4) Internal power-saving circuit.5) Internal output protection circuit.6) An internal sag correction function makes it possible to reduce the capacit...
BA7660FS: Features: 1) Can be coupled directly to D / A converter output.2) Operates at a low power consumption (115mW typ.).3) Internal output muting circuit.4) Internal power-saving circuit.5) Internal outp...
SeekIC Buyer Protection PLUS - newly updated for 2013!
268 Transactions
All payment methods are secure and covered by SeekIC Buyer Protection PLUS.

| Parameter | Symbol | Limits | Unit |
| Power supply voltage | Vcc | 8 | V |
| Power dissipation | Pd | 650 | mW |
| Operating temperature | Topr | 25 ~ + 75 | °C |
| Storage temperature | Tstg | 55 ~ + 125 | °C |
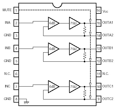
The BA7660FS is a 75W driver with a 6dB amplifier and three internal circuits, and provides 75W drive of composite Y signals and C signals, as well as RGB signals. Each load is capable of driving two circuits, and a sag correction function reduces the capacitance of the output coupling capacitor.
The input voltage is within a range of 0V to 1.5V, enabling direct connection of ordinary D / A converter output. An internal power-saving circuit is also included which provides simultaneous muting on all three channels, and output pin shorting protection.