Features: The low-noise playback amplifier has a total gain of 83dB (Typ.). Designed for VHS-bandoperation with low external parts count. It has two built-in circuits for Hi-Fi VCR operation. The circuit has been designed to suppress headswitching noise. Built-in EP / SP gain switching function t...
BA7745FS: Features: The low-noise playback amplifier has a total gain of 83dB (Typ.). Designed for VHS-bandoperation with low external parts count. It has two built-in circuits for Hi-Fi VCR operation. The c...
SeekIC Buyer Protection PLUS - newly updated for 2013!
268 Transactions
All payment methods are secure and covered by SeekIC Buyer Protection PLUS.
The low-noise playback amplifier has a total gain of 83dB (Typ.). Designed for VHS-bandoperation with low external parts count. It has two built-in circuits for Hi-Fi VCR operation.
The circuit has been designed to suppress headswitching noise.
Built-in EP / SP gain switching function that boosts the playback gain by 5dB.
Built-in VCA for easy playback output adjustment.
High-output recording amplifier for audio FM recording.
Constant-current drive provides stable recording characteristics when the load (head impedance) is fluctuating.
Built-in recording level AGC eliminates the need to adjust recording current.
Built-in low-pass filter limits the input bandwidth of the recording amplifier.
Built-in OVER REC recording current amplifier function and REC MUTE function that stops recording output.
Built-in high-frequency oscillator for use with flying erase function.
Record / playback switching can be done directly via the system controller, and consumes litlle power.
Possible to construct a high-performance audio system by pairing this chip with a Hi-Fi-audio signal processing IC.

| Parameter | Symbol | Limits | Unit | |
| Power supply voltage | Vcc |
PB / REC system | 7.0 | V |
| FE system | 12.5 | |||
| Power dissipation | Pd | 1000* |
mW | |
| Operating temperature | Topr | 10~ + 70 | ||
| Storage temperature | Tstg | −55 ~+125 | ||
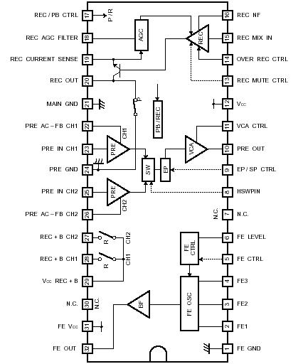
The BA7745FS has the recording and playback amplifiers required for Hi-Fi VCR signal processing, and also contains a flying-erase oscillator. The recording system uses a constant-current amplifeir with AGC to eliminate the need to adjust the recording current, and ensure stable operation as the head wears. The IC also features REC MUTE and OVER REC functions .
The playback system has a high-gain preamplifier, a low-offset head switch, a VCA and an EP-gain amplifier. The flying-erase oscillator has low 2nd and 3rd harmonic distortion, and when connected to an external driver large output current can be obtained.
A H / L control system eliminates the need for special power supplies for the recording and playback systems. The IC has low power consumption, and comes in a compact 32-pin SSOP-P package that requires little area on the PCB. It will improve the reliability and performance of your designs while reducing external component requirements.