Features: The low-noise playback amplifier has a total gain of 79dB (Typ.). Designed for VHS-band operation with low external parts count. It has two built-in circuits for Hi-Fi VCR operation. The circuit has been designed to suppress headswitching noise. Built-in EP / SP gain switching function t...
BA7746S: Features: The low-noise playback amplifier has a total gain of 79dB (Typ.). Designed for VHS-band operation with low external parts count. It has two built-in circuits for Hi-Fi VCR operation. The c...
SeekIC Buyer Protection PLUS - newly updated for 2013!
268 Transactions
All payment methods are secure and covered by SeekIC Buyer Protection PLUS.
The low-noise playback amplifier has a total gain of 79dB (Typ.). Designed for VHS-band operation with low external parts count. It has two built-in circuits for Hi-Fi VCR operation.
The circuit has been designed to suppress headswitching noise.
Built-in EP / SP gain switching function that boosts the playback gain by 5dB.
Built-in VCA for easy playback output adjustment.
High-output recording amplifier for audio FM recording.
Constant-current drive povides stable recording characteristics when the load (head impedance) is fluctuating.
Built-in recording level AGC eliminates the need to adjust recording current.
Built-in low-pass filter limits the input bandwidth of the recording amplifier.
Built-in OVER REC recording current amplifier function and REC MUTE function that stops recording output.
Low power consumption. Operates off a single 5V power supply.
Record / playback switching can be done directly via the system controller, and consumes littele power.
Possible to construct a high-performance audio system by pairing this chip with a Hi-Fi-audio signal processing IC.

| Parameter | Symbol | Limits | Unit | |
| Power supply voltage | VCC |
7.0 | V | |
| Power dissipation | BA7746S | Pd | 1050*1 | mV |
| BA7746FS | 800*2 | mW | ||
| Operating temperature | Topr | 10 ~ + 70 | ||
| Storage temperature | Tstg | 55 ~ + 125 | ||
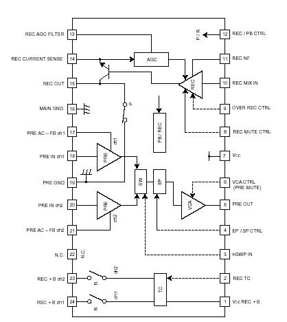
The BA7746S and BA7746FS contains the recording and playback amplifiers required for Hi-Fi VCR signal processing. The recording system uses a constant-current amplifier with AGC to eliminate the need to adjust the recording current, and ensure stable operation as the head wears. The IC also features REC MUTE and OVER REC functions. The playback system has a high-gain preamplifier, a low- offset head switch, VCA, and an EP-gain amplifier.
In addition, all functions operate off a single 5V supply, and a H / L control system eliminates the need for special power supplies for the recording and playback systems. The IC has low power consumpution, and comes in a compact 32-pin SSOP-A package that requires little area on the PCB. It will improve the reliability and performance of your designs while reducing external component requirements.