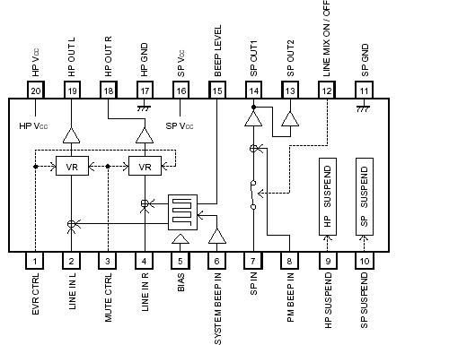
Features: Stereo headphone amplifier that supports mixing input, along with a stereo speaker amplifier (BA7786FP-Y) or BTL monaural speaker amplifier (BA7787FS). Internal anti-pop circuit, to prevent the popping sounds that occur when the power is turned on and off. Internal electronic volume swit...
BA7787FS: Features: Stereo headphone amplifier that supports mixing input, along with a stereo speaker amplifier (BA7786FP-Y) or BTL monaural speaker amplifier (BA7787FS). Internal anti-pop circuit, to preven...
SeekIC Buyer Protection PLUS - newly updated for 2013!
268 Transactions
All payment methods are secure and covered by SeekIC Buyer Protection PLUS.
Stereo headphone amplifier that supports mixing input, along with a stereo speaker amplifier (BA7786FP-Y) or BTL monaural speaker amplifier (BA7787FS).
Internal anti-pop circuit, to prevent the popping sounds that occur when the power is turned on and off.
Internal electronic volume switch and mute circuit.
Separate suspend modes for the headphone amplifier and speaker amplifier, for low-power-consumption computers .
Two beep input pins, a necessity for notebook computers.

| Parameter | Symbol | Limits | Unit | |
| Power supply voltage | VCC |
6 | V | |
| Power dissipation | BA7786FP-Y | Pd | 850*1 | mW |
| BA7787FS | 600*2 | |||
| Operating temperature | Topr | 10 ~ + 70 | ||
| Storage temperature | Tstg | 55 ~ + 125 | ||
The BA7786FP-Y and BA7787FS are sound amplifiers designed for notebook computers, and contain a suspend function and input pins for the system beep and PM beep sounds used by notebook computers. In short, this singlechip IC contains all the analog audio components needed for notebook computers.