Features: Two input switching systems built-in (LINE and TUNER). Built-in coil equivalent circuit for recording equalization. High-performance low-noise playback amplifier. ALC level can be adjusted by connection of an external resistor. Compatible with single-mode EQ making it ideally suited to w...
BA7797F: Features: Two input switching systems built-in (LINE and TUNER). Built-in coil equivalent circuit for recording equalization. High-performance low-noise playback amplifier. ALC level can be adjusted...
SeekIC Buyer Protection PLUS - newly updated for 2013!
268 Transactions
All payment methods are secure and covered by SeekIC Buyer Protection PLUS.
Two input switching systems built-in (LINE and TUNER).
Built-in coil equivalent circuit for recording equalization.
High-performance low-noise playback amplifier.
ALC level can be adjusted by connection of an external resistor.
Compatible with single-mode EQ making it ideally suited to widely-used decks.

| Parameter | Symbol | Limits | Unit | |
| Power supply voltage | Vcc |
13 | V | |
| Power dissipation | Pd | 550* | mW | |
| Operating temperature | Topr | 10 ~+ 65 | ||
| Storage temperature | Tstg | −55 ~+125 | ||
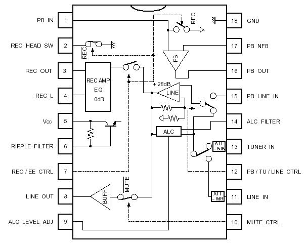
The BA7797F is standard audio signal processor designed for use in VCRs and tape decks. The circuit is comprised of a playback preamplifier, a line amplifier, a recording amplifier, an ALC circuit and high-voltage head switch.
The IC has a built-in coil equivalent circuit for recording equalization, which eliminates the need for an external component.