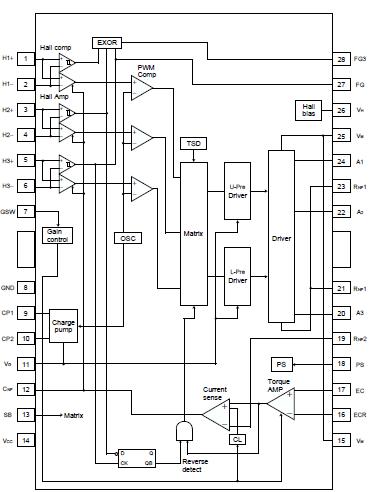
Features: 1) 180 degree Direct-PWM driving system.2) Built in power save circuit.3) Built in current limit circuit.4) Built in FG-output.5) Built in 3phase synthesized FG-output.6) Built in hall bias circuit.7) Built in reverse protection circuit.8) Built in short brake circuit.9) Low consumption ...
BD6670FM: Features: 1) 180 degree Direct-PWM driving system.2) Built in power save circuit.3) Built in current limit circuit.4) Built in FG-output.5) Built in 3phase synthesized FG-output.6) Built in hall bia...
SeekIC Buyer Protection PLUS - newly updated for 2013!
268 Transactions
All payment methods are secure and covered by SeekIC Buyer Protection PLUS.
US $2.87 - 2.87 / Piece
Motor / Motion / Ignition Controllers & Drivers MOTOR DRVR2.4V 64PIN
US $4.1 - 4.1 / Piece
Motor / Motion / Ignition Controllers & Drivers SNSRLSS MOTOR DRIVER 2.2V 48PIN

|
Parameter |
Symbol |
Limits |
Unit |
| Power supply voltage |
VCC |
7 |
V |
| Supply voltage for motor |
VM |
15 |
V |
| VG pin voltage |
VG |
20 |
V |
| Output current |
IOMAX |
2500*1 |
mA |
| Power dissipation |
Pd |
2200*2 |
mW |
| Junction temperature |
TJMAX |
150 |
°C |
| Operating temperature range |
Topr |
−20~+75 |
°C |
| Storage temperature range |
Tstg |
−55~+150 |
°C |
BD6670FM is a 3-phase spindle motor driver adopting 180° PWM direct driving system. Noise occurred from the motor
driver when the disc is driver can be reduced. Low power consumption and low heat operation are achieved by using DMOS FET in output and driving directly.