Features: 1) Internal mute function to prevent popping sounds when the power is turned on and off.2) Built-in thermal shutdown circuit (150°C) to prevent damage to the IC if a short circuit occurs.3) Compact SOP8 pin package.ApplicationDevices that use the headphone output from CD-ROMs, CDs, MDs, ...
BH3541F: Features: 1) Internal mute function to prevent popping sounds when the power is turned on and off.2) Built-in thermal shutdown circuit (150°C) to prevent damage to the IC if a short circuit occurs.3...
SeekIC Buyer Protection PLUS - newly updated for 2013!
268 Transactions
All payment methods are secure and covered by SeekIC Buyer Protection PLUS.
Devices that use the headphone output from CD-ROMs, CDs, MDs, personal computers, notebook computers,camcorders, etc.

| Parameter | Symbol | Limits | Unit | |
| Applied voltage | Vmax | 10.0 | V | |
| Power dissipation | Pd | 450∗ | mW | |
| Operating temperature | Topr | 25 ~ + 75 | °C | |
| Storage temperature | Tstg | 55 ~ + 125 | °C | |
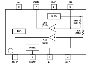
The BH3541F and BH3544F are digital-source dual headphone amplifiers. The BH3541F has a fixed gain of 0dB and the BH3544F has a fixed gain of 6dB so that external gain setting is unnecessary. Both the BH3541F and BH3544F have internal mute functions so that prevention of the popping sound when power is turned on and off is greatly simplified. Also, these ICs are equipped with thermal shutdown circuits to prevent damage from short circuits.