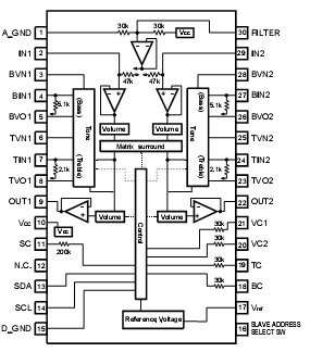
IC SRL SOUND CONTROL 2WR SDIP30
SeekIC Buyer Protection PLUS - newly updated for 2013!
268 Transactions
All payment methods are secure and covered by SeekIC Buyer Protection PLUS.
| Series: | - | Manufacturer: | Rohm Semiconductor | ||
| Type: | Audio Processor | Applications: | Automotive Systems | ||
| Mounting Type: | Through Hole | Package / Case: | 30-SDIP (0.400", 10.16mm) | ||
| Supplier Device Package: | 30-SDIP | Maximum Power Dissipation : | 4500 mW |
1) I2C BUS facilitates direct serial control from a microcomputer of volume (main volume), balance (left / right), and tone
(bass, treble). DC control is also possible.
2) Volume is produced by a low-distortion, low-noise VCA. Designed to minimize step noise.
3) Stable standard voltage supply and built-in I/O buffer mean that few attachments are needed. SSOP-A32 package
designed to save space.
4) Matrix surround yields powerful sound.

| Parameter | Symbol | Limits | Unit | |
| Power supply voltage | Vcc | 10.0 | V | |
| Power dissipation | Pd | 1200*1 | mW | |
| Operating temperature | Topr | 40 ~ + 85 | °C | |
| Storage temperature | Tstg | 55 ~ + 150 | °C | |
Technical/Catalog Information