Features: 1) Each high-performance filter, 6dB amplifier, and 75 driver for DVD are incorporated into a single chip.2) Driver 6ch (Y, C, MIX, and PY, Pb, Pr for progressive)3) Group delay difference between chroma signal and luminance signal is a small number of nsec.4) Drive 2 lines of each signa...
BH7862FS: Features: 1) Each high-performance filter, 6dB amplifier, and 75 driver for DVD are incorporated into a single chip.2) Driver 6ch (Y, C, MIX, and PY, Pb, Pr for progressive)3) Group delay difference...
SeekIC Buyer Protection PLUS - newly updated for 2013!
268 Transactions
All payment methods are secure and covered by SeekIC Buyer Protection PLUS.
Features: · Built-in stereo headphone amplifier applicable to mixing input· Built-in BTL stereo sp...


| Parameter | Symbol | Limits | Unit |
| Impressed voltage | VCC max | 6 | V |
| Power dissipation | Pd | 0.95∗ | W |
| Operating temperature range | Topr | −10~+70 | °C |
| Storage temperature range | Tstg | −55~+150 | °C |
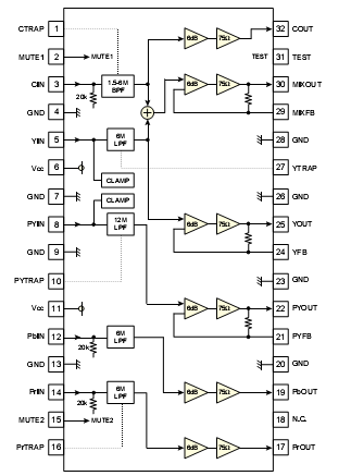
The BH7862FS is designed as a 6-channel video driver IC developed for progressive DVD player/recorder. Special filters adjusted to each band of various video signals are incorporated into a single chip. Extended definition, size reduction, and high cost performance can be achieved in DVD players.
BH7862FS has six features. (1)Each high-performance filter, 6dB amplifier, and 75 driver for DVD are incorporated into a single chip. (2)Driver 6ch (Y, C, MIX, and PY, Pb, Pr for progressive). (3)Group delay difference between chroma signal and luminance signal is a small number of nsec. (4)Drive 2 lines of each signal. (5)Operating by 5V single power supply. (6)Built-in mute circuit. Those are all the main features.
Some absolute maximum ratings of BH7862FS have been concluded into several points as follow. (1)Its impressed voltage would be 6.0V. (2)Its power dissipation would be 0.95W. (3)Its operating temperature range would be from -10°C to 70°C. (4)Its storage temperature range would be from -55°C to 150°C. (5)Its recommended power supply voltage would be min 4.5V and max 5.5V. It should be noted that stresses above those listed in absolute maximum ratings may cause permanent damage to device.
Also some electrical characteristics of BH7862FS are concluded as follow. (1)Its circuit current 1 6CH active would be typ 90mA and max 110mA. (2)Its circuit current 2 mute would be typ 17mA and max 25mA. (3)Its maximum output level would be min 2.6Vpp and typ 3.0Vpp. (4)Its voltage gain V would be min 5.0dB and typ 6.0dB and max 7.0dB. (5)Its frequency characteristics 1 would be min -2.0dB and typ 0dB and max 2.0dB. (6)Its mute attenuation would be typ -50dB. (7)Its input impedance would be min 16kohms and typ 20kohms and max 24kohms. (8)Its mute holding voltage would be min 4.0V and max Vcc for high level and would be min GND and max 1.0V for low level. And so on. If you have any question or suggestion or want to know more information about BH7862FS please contact us for details. Thank you!