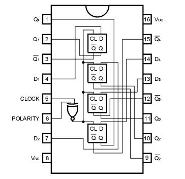
Features: 1) Low power dissipation.2) Wide range of operating power supply voltages.3) High input impedance.4) High fan-out.5) Direct drive of 2 L-TTL inputs and 1LS-TTL input.PinoutSpecifications Parameter Symbol Limits Unit Power supply voltage VDD 0.3 ~+ 18 V Power dissipation...
BU4042B: Features: 1) Low power dissipation.2) Wide range of operating power supply voltages.3) High input impedance.4) High fan-out.5) Direct drive of 2 L-TTL inputs and 1LS-TTL input.PinoutSpecifications ...
SeekIC Buyer Protection PLUS - newly updated for 2013!
268 Transactions
All payment methods are secure and covered by SeekIC Buyer Protection PLUS.

| Parameter | Symbol | Limits | Unit |
| Power supply voltage | VDD | 0.3 ~ + 18 | V |
| Power dissipation | Pd | 1000 (DIP) | mW |
| Operating temperature | Topr | 40 ~ + 85 | |
| Storage temperature | Tstg | 55 ~ + 150 | |
| Input voltage | VIN | 0.3 ~ VDD + 0.3 | V |