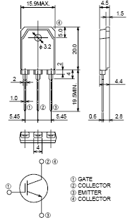
ApplicationAC & DC motor controls, General purpose inverters, UPS, Power supply switching, Servo controls, etc.PinoutSpecifications Symbol Parameter Conditions Ratings Unit VCES Collector-emitter voltage VGE = 0V 1200 V VGES Gate-emitter voltage VCE = 0V ±...
CT15SM-24: ApplicationAC & DC motor controls, General purpose inverters, UPS, Power supply switching, Servo controls, etc.PinoutSpecifications Symbol Parameter Conditions Ratings Unit VCE...
SeekIC Buyer Protection PLUS - newly updated for 2013!
268 Transactions
All payment methods are secure and covered by SeekIC Buyer Protection PLUS.

| Symbol | Parameter |
Conditions |
Ratings |
Unit |
| VCES | Collector-emitter voltage |
VGE = 0V |
1200 |
V |
| VGES | Gate-emitter voltage |
VCE = 0V |
±20 |
V |
| VGEM | Peak gate-emitter voltage |
VCE = 0V |
±30 |
V |
| IC | Collector current |
15 |
A | |
| ICM | Collector current (Pulsed) |
30 |
A | |
| PC | Maximum power dissipation |
250 |
W | |
| Tj | Junction temperature |
40 ~ +150 |
°C | |
| Tstg | Storage temperature |
40 ~ +150 |
°C | |
|
- |
Weight |
Typical value |
4.8 |
g |