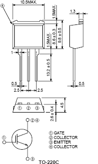
ApplicationStrobe Flasher.PinoutSpecifications Symbol Parameter Conditions Ratings Unit VCES Collector-emitter VGE = 0V 400 V VGES Gate-emitter voltage VCE = 0V, See notice 4 ±30 V VGEM Peak gate-emitter voltage VCE = 0V, tw = 0.5s ±40 ...
CT30VM-8: ApplicationStrobe Flasher.PinoutSpecifications Symbol Parameter Conditions Ratings Unit VCES Collector-emitter VGE = 0V 400 V VGES Gate-emitter voltage VCE ...
SeekIC Buyer Protection PLUS - newly updated for 2013!
268 Transactions
All payment methods are secure and covered by SeekIC Buyer Protection PLUS.
PinoutSpecificationsPart Number: CT301B04C-20Serial Number: CT301LED Type: THRU HOLEIndustry Size:...
PinoutSpecificationsPart Number: CT301B04D-30Serial Number: CT301LED Type: THRU HOLEIndustry Size:...

|
Symbol |
Parameter |
Conditions |
Ratings |
Unit |
| VCES | Collector-emitter |
VGE = 0V |
400 |
V |
| VGES | Gate-emitter voltage |
VCE = 0V, See notice 4 |
±30 |
V |
| VGEM | Peak gate-emitter voltage |
VCE = 0V, tw = 0.5s |
±40 |
V |
| ICM | Collector current (Pulsed) |
See figure 1 |
180 |
A |
| Tj | Junction temperature |
40 ~ +150 |
°C | |
|
Tstg |
Storage temperature |
40 ~ +150 |
°C |