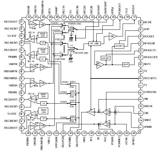
Features: •Recording/playback system• Hi8-compatible wideband recording/playback amplifier.• Enables electric variable resistor (EVR) control.•Recording system• Feedback damping provided in the recording amplifier and its EVR control function facilitate printed circui...
CXA1702AR: Features: •Recording/playback system• Hi8-compatible wideband recording/playback amplifier.• Enables electric variable resistor (EVR) control.•Recording system• Feedbac...
SeekIC Buyer Protection PLUS - newly updated for 2013!
268 Transactions
All payment methods are secure and covered by SeekIC Buyer Protection PLUS.
•Recording/playback system
• Hi8-compatible wideband recording/playback amplifier.
• Enables electric variable resistor (EVR) control.
•Recording system
• Feedback damping provided in the recording amplifier and its EVR control function facilitate printed circuit board design.
• Five-input (Y, chroma, AFM, ATF, PCM) mix amplifier and EVR control function for Y/low-band recording level.
• Ramp circuit for the recording amplifier output bias current.
•Playback system
• Feedback dumping provided in the playback amplifier facilitates printed circuit board design.
• Middle-frequency tuner on chip; EVR permits independent adjustment of its center frequency fo, Q and boost amount by EVR.
• RF AGC and dropout detection circuit.
