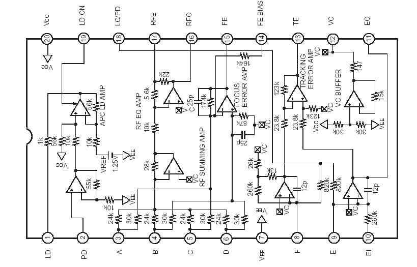
Features: • Low power consumption (40mW at ±2.5V)• APC circuit• Both single power supply (+5V) and dual power supply (±2.5V) operations possible.• Compatible with pickup for LC and PD• Supports the RF amplifier at double speed.Application·Compact disc playersPinoutSpe...
CXA1821M: Features: • Low power consumption (40mW at ±2.5V)• APC circuit• Both single power supply (+5V) and dual power supply (±2.5V) operations possible.• Compatible with pickup for ...
SeekIC Buyer Protection PLUS - newly updated for 2013!
268 Transactions
All payment methods are secure and covered by SeekIC Buyer Protection PLUS.

The CXA1821M is an IC developed for compact disc players. This IC incorporates an APC circuit and RF, focus error, and tracking error amplifiers for 3- spot optical pickup output. (The voltage-converted optical pickup output is supported.)