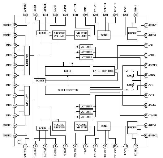
Features: • Loudness• Volume control (0dB to 87dB in 1dB step, dB)• Balance• Tone control (15 steps, 2 bands, 16dB to +16dB)• Fader (2dB-step to 20dB, 25dB, 35dB, 45dB, 60dB, dB)• Input selector (4 channels)• Gain can be set for each input channel (common ...
CXA1946AQ: Features: • Loudness• Volume control (0dB to 87dB in 1dB step, dB)• Balance• Tone control (15 steps, 2 bands, 16dB to +16dB)• Fader (2dB-step to 20dB, 25dB, 35dB, 45dB,...
SeekIC Buyer Protection PLUS - newly updated for 2013!
268 Transactions
All payment methods are secure and covered by SeekIC Buyer Protection PLUS.
